+375 (17) 300-58-48+375 (17) 362-38-49
Напольное оборудование
Постовое оборудование
Верхнее строение пути
Проверка блоков и реле СЦБ
Приборы для сигнализации и связи
Железобетон и металлоконструкции для железнодорожных путей сообщения
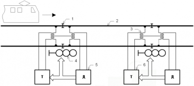
Системы автоблокировки
Список разделов