■
- Инженерные системы зданий и сооружений (отопление, вентиляция, водоснабжение, кондиционирование);
- АСУТП;
- Системы промышленной автоматизации, контроля, учета и диспетчеризации.
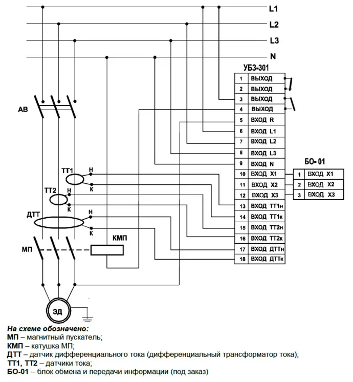
Применение защиты УБЗ-301 (63-630А)
Назначение
Универсальный блок защиты электродвигателей УБЗ-301 (63-630 А) производства компании Новатек-Электро предназначен для постоянного контроля параметров сетевого напряжения и действующих значений фазных/линейных токов трехфазного электрооборудования 380 В/50 Гц, в первую очередь, асинхронных электродвигателей, мощностью от 30 кВт до 315 кВт, в том числе и в сетях с изолированной нейтралью.
Защита электродвигателей
Осуществляет полную и эффективную защиту электрооборудования отключением от сети и/или блокированием его пуска в следующих случаях:
- некачественном сетевом напряжении (недопустимые скачки напряжения, обрыв фаз, нарушение чередования и слипания фаз, перекос фазных/линейных напряжений);
- механических перегрузках (симметричный перегруз по фазным/линейным токам) – защита от перегруза с зависимой выдержкой времени;
- несимметричных перегрузок по фазным/линейным токам, связанных с повреждениями внутри двигателя – защита от перекосов фазных токов с последующим запретом АПВ;
- несимметрии фазных токов без перегруза, связанных с нарушением изоляции внутри двигателя и/или подводящего кабеля;
- исчезновении момента на валу электродвигателя («сухой ход» - для насосов) – защита по минимальному пусковому и/или рабочему току;
- при недопустимо низком уровне изоляции на корпус – проверка перед включением с блокировкой пуска при плохой изоляции;
- замыкании на «землю» обмотки статора во время работы – защита по токам утечки на «землю».


