Артикул производителя: 96-00-07
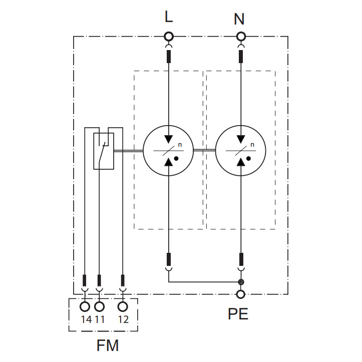
Назначение УЗИП CT-T1+2/2+0-350-FM
Комбинированное устройство защиты от перенапряжений CT-T1+2/2+0-350-FM применяется для защиты низковольтного оборудования в однофазной сети переменного тока и позволяет предотвратить негативные последствия в случаях:
- удара молнии в молниезащитное оборудование объекта или в радиусе нескольких километров от него;
- короткого замыкания, обрыва кабелей или других аварийных ситуаций на линии электропередач;
- промышленных перенапряжений.
Изделие обеспечивает категорию защиты l+ll.
Достоинства ограничителя импульсных перенапряжений CT-T1+2/1+0-350-FM
Отсутствие токов утечки позволяет установить изделие в непосредственной близости от счетчиков электроэнергии.
Устройство УЗИП включает герметичный газовый разрядник, произведенный по запатентованной технологии. Он обеспечивает высокую перегрузочную способность.
Наличие дистанционного переключающего контакта.
Вы можете купить УЗИП в Минске или с доставкой по Беларуси, позвонив нам по телефонам, указанным на сайте.
Другие модели импульсных ограничителей в разделе Ограничители импульсных перенапряжений (УЗИП).

